首页
关于我们
产品展示
新闻动态
留言板
全站
文章详情
解析电气系统中直流电阻和绝缘电阻
HT测试仪器
2023-05-16
在电力设备制造、安装、运行、维护过程中,很多时候我们要测量系统中多种类型的电阻。
因此,根据现场实际需求选择合适的仪器来测试相符的电阻尤为重要。常见电阻种类
有绝缘电阻、直流电阻、接地电阻、回路电阻和导通电阻
等。如下图:
不管是哪种电阻测量,
其
测量原理都是基于
“
欧姆定律
”
。虽然测量基本原理相同,但需要的测量仪器设备却不同,而检测出的各类型电阻值也体现出电气设备的不同性能质量状况。
今天
我们
主要说
一下电气系统中
测量得最多的两种电阻
——
直流电阻和绝缘
电阻
。
一、
直流电阻
1
、什么是直流电阻?
直流电阻指
在被
测
试对象上施加一定大小的直流电流,通过欧姆定律计算后,所呈现出的电阻,这种电阻我们称为直流电阻,直流电阻是
设备
固有的,静态的电阻,
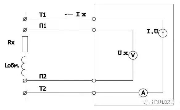
其测量原理图如下:
比如最常见需要测量
直流电阻
的有:
变压器的
绕组
、互感器绕组、
各类
导线的直流电阻等,
特别
是变压器在制造、安装交接、大修和改变分接开关后,是必不可少的试验项目,其测量通常采用直流电阻测试仪。
而我
公司
的
MIKO-7
、
MIKO-9A
、
MIKO-10
等系列
直流电阻测试仪
(如下图所示)
。
均
采用全新
电气测试
技术,具有性能稳定,测量
方便
、体积小巧、
安全耐用
、精度高,
数据易保存
等特点。
能满足多种电气设备的直阻精准测量,尤其
是
在
测量各类变压器绕组以及大功率电感设备
时,是用户首选
的理想
仪器
。
2、测量直流电阻的目的
通过仪器测量出的直流电阻值进行分析,可以判断电气设备绕组内部导线和引线的焊接质量,以及电气回路的完整性,能及时发现因制造、安装、运行中由于震动和机械应力等原因所造成的导线断裂、接头开焊、接触不良、匝间短路等缺陷。从而针对相应的状况采取维修保养措施,避免电气设备故障的发生。
二、绝缘电阻
1、什么是绝缘电阻
施加直流电压于电介质,经过一定时间极化过程结束后,流过电介质的泄漏电流对应的电阻称绝缘电阻。
绝缘电阻是对电气设备安全性的一个最基本的衡量指标,它是用来考察电气设备绝缘性能的。
在规定的温度、湿度和压力条件下,对绝缘部分施加规定的电压,从而测量出来的电阻值。
这个电阻值的高低,直接关系着设备本身的安全性,或者设备使用者的安全性。
绝缘电阻的
测量最具普遍
性,
是检查电气设备绝缘状态最简便和最基本的方法。
在电力系统中涉及绝缘电阻的应用几乎是无处不在,
在
变压器、互感器、发电机、电动机、电力电容、电力电缆、避雷器等
各种电气
设备
中都会检测
绝缘电阻值
。而在现场普遍使用绝缘电阻测试仪(兆欧表)来测量绝缘电阻。如
HT
测试仪器中一款极具人气的型号为
HT7051
的绝缘电阻测试仪(如下图),其测试电压可编程高达5kVDC,测量范围达10TΩ,在工业场合应用非常广泛。该仪器可以在固定模式(固定测试电压)、调整模式(可编程测试电压)与渐进模式(可编程的测试电压与应用时间)执行测试,适合各种用应用环境。还可以测量极化指数、介质吸收比等参数,这种耐久测试可以很好的确定设备绝缘质量。
2
、
为什么要做绝缘
电阻
测试?
安全
的保障
之所以进行绝缘测试,最重要的原因是为了确保
设备
安全和
人身
安全。通过执行绝缘测试
,能发现设备电气部分因绝缘故障导致漏电或者短路等隐患
,消除
人身和设备安全事故发生
的可能性。
可以
延长设备寿命
绝缘
电阻
测试对于保护并延长电气系统
中设备
的使用寿命也具有重要意义。长期使用的电气设备,绝缘也
会
老化,端线松弛。通过测量设备绝缘电阻值
,
能灵敏地反应绝缘情况,能有效地发现设备局部或整体受潮和脏污,以及绝缘击穿和严重过热老化等缺陷。
而且
周期性维护测试能够提供可供分析的数据,同时预测可能的系统故障。另外,发生故障时也需要通过绝缘测试确定故障原因。
通
过绝缘电阻的测量能发现这些问题,
并
及时采取措施
,延长设备寿命。
国标规定
无论是生产
材料还是电气设备,都需
要根据相应的国标要求进行绝缘电阻测试试验,以验证生产、安装过程中电气设备的质量,确保设备满足规程和安全标准。
三、直流
电阻与
绝缘
电阻的区别?
直流
电阻与
绝缘
电阻
都
是基于欧姆定律原理,针对不同的应用
需求而
设计
。
直流电阻是
反应出
感性负载
的
电阻
值
,
而
绝缘电阻是
体现设备
绝缘程度大小的专用
指标
,
都是电阻
,
但
功能
完全不同
,两者各有所需,并不能相互补充,
对两者测试值而言
,
通常
直流电阻值越小越好,绝缘电阻
反而
是越大越好
。而两种电阻只是基于
同样的理论原理,创造了两种不同的测试功能。
分享
发表评论
登录评论
匿名评论
提交
提交